【实用分享】ABS防抱死制动轮速传感器故障解析-66公里
66公里 行业资讯 汽车美容洗车

【实用分享】ABS防抱死制动轮速传感器故障解析

【实用分享】ABS防抱死制动轮速传感器故障解析

2023-11-21 

轮速传感器是与ABS、TCS、EBD和ESP等系统都有关的重要部件,由于它的工作环境恶劣,故障率较高。目前维修站遇到的关于ABS、TCS的抱怨,绝大多数是由于轮速传感器及其相关线路故障引起的,所以掌握轮速传感 器故障的诊断方法,在汽车维修的实际工作中将会很有用处。

 轮速传感器是与ABS、TCS、EBD和ESP等系统都有关的重要部件,由于它的工作环境恶劣,故障率较高。目前维修站遇到的关于ABS、TCS的抱怨,绝大多数是由于轮速传感器及其相关线路故障引起的,所以掌握轮速传感 器故障的诊断方法,在汽车维修的实际工作中将会很有用处。

 

轮速传感器是与ABS、TCS、EBD和ESP等系统都有关的重要部 件,由于它的工作环境恶劣,故障率较高。目前维修站遇到的关于ABS、TCS的抱怨,绝大多数是由于轮速传感器及其相关线路故障引起的,所以掌握轮速传感 器故障的诊断方法,在汽车维修的实际工作中将会很有用处

 

  当ABS系统出现故障时,用户通常只会抱怨ABS灯亮,并不反映故障现象,但是对于该故障的问诊还是很有必要的。

 

1. ABS故障的问诊

 

  (1)故障灯点亮的时刻

 

  问清ABS灯点亮是在点火开关打开之后就点亮,还是在行驶中点亮。如果在点火开关打开就点亮了,说明ABS控制单元在通电后自检时,就发现了故障,这时车轮并没有转动,所以最有可能是电路故障,而不是性能故障;如果是行驶中点亮,那么需要询问当时的车速、车辆的操作(转向、制动和挡位切换等)和路面状况(车辆正处于起伏或颠簸中)等。如果不存在操作或路面状况因素的影响,通常是性能故障。如果存在操作或路面状况因素的影响,通常是电路故障,可能是间歇性的断路或短路及系统内某些元件性能稳定性下降导致故障。

 

  (2)故障灯熄灭的时刻

 

  询问ABS灯是如何熄灭的,是行驶中自行熄灭,还是在下一次点火开关打开或车辆起动之后熄灭。

 

  (3)故障发生的频次

 

  询问第一次故障出现的时间以及最近一次出现的时间,故障共出现多少次(推算频次),平均频次(可询问或推选近1个月、2周、1周或者1天内的平均频次)。了解清楚故障发生的频次对故障诊断有很大的帮助。

 

  (4)故障线索

 

  询问是否有故障出现的特定条件(如:洗车后、下雨后,涉水后,维修后、颠簸路面、转向起步等),是否有相关的维修(具体时间、现象、维修内容等),是否出现在其他情况之后(如事故、托底等)。这些是故障再现和验证故障是否修好的重要依据。

 

2. 诊断维修流程及常见故障的诊断方法

 

  (1)诊断维修流程

 

  ①核实故障现象,全面掌握故障。

 

  ②检测故障码,根据故障码确定故障性质(当前、历史、间歇或持续),确定排查方向及范围。

 

  ③外观检查,但不改变车辆状态,即不改变线束布置,不拔插头,不拆卸零件。

 

  ④采用非侵入式诊断,通过故障诊断仪查看数据,并随车路试,但不进行任何拆装,维持车辆原状。

 

  ⑤采用侵入式诊断,有针对性地进行相关测量。

 

  ⑥展开维修。

 

  ⑦维修后效果验证。

 

  (2)常见故障诊断方法

 

  ①轮速传感器线路问题导致的间歇性故障,可以采用以下的诊断方法。

 

  a.使用故障诊断仪查看数据。将车辆停稳,用故障诊断仪查看轮速数据,同时晃动线束及插器接,或踩住制动踏板,左右转动转向盘,特别是要在极限位置反复晃动转向盘。如果轮速数据出现跳变,也就是出现了非 “0”数据,说明轮速传感器线路存在虚接故障,此方法只对磁电式传感器有效。

 

  为什么线路虚接会导致诊断仪上有轮速数据跳变呢?我们所说的线路虚接,是指线路存在间歇性断路或过大电阻。对于磁电式轮速传感器来说,其内部是铁芯加线圈结构,线圈上有控制单元提供的参考电压。当出现间歇性的断路(短路)时,由于线圈内电流发生变化,导致出现感应电压,这对于控制单元来说,就相当于轮速信号。这种诊断方法就是利用这个原理进行判断的。

 

 

  采用这种方法的要求是,不破坏车辆的原始状态,即不改变线束布置,不拔插接器,不拆装零件。在晃动插接器和线束时,要重点针对活动部位及折弯部位的插接器和线束,同时查看是否存在线束破损、布置不当和非正常维修等现象。

 

使用万用表进行测量。在不破坏所怀疑的插接器或线束的原始状态下,断开ABS控制单元,从ABS控制单元插接器的线束侧测量整个轮速传感器回路的电阻。正常情况下电阻为1 kΩ左右,如果线路没有虚接,电阻是不会跳变的。在观察电阻值的同时,晃动该处线束或插接器,如果电阻值出现跳变,说明线路存在虚接(图7)。在晃动线路时,车轮不能动,否则会出现虚假的阻值变化。此外,还要测量线路与车身搭铁之间的电阻,检查是否有对搭铁短路的现象。

 

 

 

 

万用表测量ABS传感器

 

 

 

  测量电阻是比较麻烦的诊断手段,很多维修人员认为,既然存在间歇性断路,会出现轮速数据跳变,那看数据流就可找到故障点,何必还要测量电阻呢?这是因为,电阻过大相当于虚接,最典型的现象就是插接器的端子氧化、锈蚀,这不一定是断路,但足以导致故障。所以,即使看数据流没有发现故障,使用电阻测量的方法也是有必要的。

 

  如果轮速传感器没有故障,而怀疑ABS控制单元至轮速传感器的线路存在故障,可以断开轮速传感器,在点火开关打开的状态下,测量轮速传感器2根导线上的参考电压,同时晃动线路。如果电压跳变,也说明存在电路虚接故障。

 

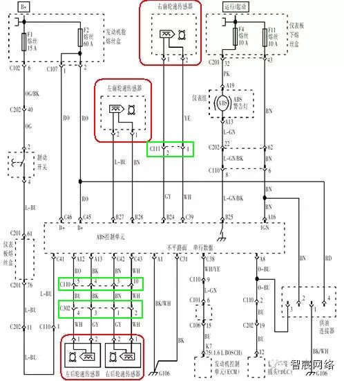
  c察看电路图。在查找电路故障时,需要使用电路图,通过电路图的分析,可以确定查找故障的切入点和重要排查点。要全面了解所要排查的线路在电路图中所经过的每一个插接器和线束,否则容易出现遗漏和误判。以图8为例,右后轮速传感器至少要经过C110和C302接插器。

 

 

 

图中绿圈起来的部分即是ABS传感器到ABS控制单元之间的接插器

 

 

 

 

 

  ②轮速传感器性能故障的诊断方法

 

  对于轮速传感器性能方面的故障,可以采用波形分析的方法来诊断,具体方法是以波形的方式显示轮速数据,通过观察波形来判断轮速传感器的性能故障。

 

  下面笔者通过一些具体故障案例来介绍轮速传感器导致的ABS故障的诊断维修方法。

 

  故障1

 

  故障现象:一辆2006年产别克凯越轿车,用户反映该车起动后ABS灯点亮,如果熄火后再次起动,不能确定ABS灯是否还会点亮,即使不点亮,行驶中有时也会点亮。

 

  检查分析:维修人员用TECH2进行检测,发现存在历史性故障码:C0040——右前轮速度传感器电路故障。凯越轿车在空滤下方有一个轮速传感器接插器,该接插器最容易出现虚接故障。维修人员在查看轮速数据的同时,晃动该接插器,轮速数据出现了跳变,由0 km/h跳变到7 km/h。

 

  故障排除:将该接插器妥善处理后,故障排除。

 

  故障2

 

  故障现象:一辆2007年产别克凯越轿车,故障现象与故障1相同。

 

  检查分析:故障码与故障1相同。采用故障1同样的方法检查,未发现故障点。维修人员查看电路图,发现右前轮速传感器电路中,还有一个插接器C111,位于熔丝盒下方,拆下熔丝盒,晃动该接插器,轮速从0 km/h跳变到6 km/h。除此以外,晃动整个线束和所有插接器,均未见异常。断开接插器后,检查发现有轻微氧化现象。

 

  故障排除:将该接插器进行清理后装复,再晃动相关线束,无异常数据跳动动,故障排除。

 

  回顾总结:维修人员如果不仔细察看电路图,会很容易忽略接插器C111,耽误故障排除的时间。

相关资料
相关阅读